所有振动设备都包括用于给料或筛分机体、提供激振力的激振源、用于隔振的减振装置。每个部件都是振动设备重要组成部分。
振动设备使用中常发生一些减振弹簧故障问题,现就减振常见故障作浅要分析。
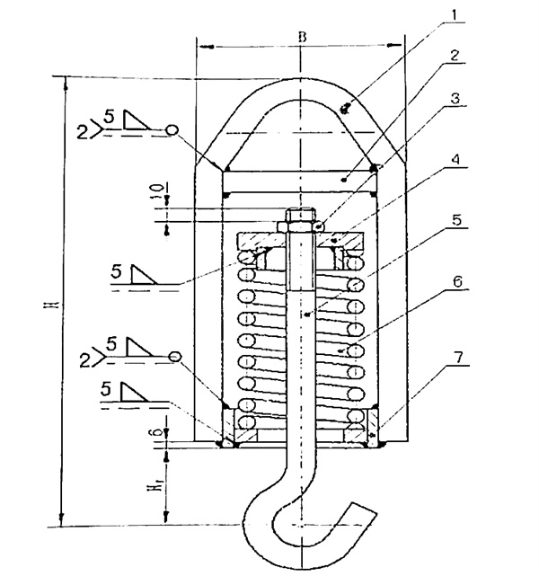
减振器主要由隔振弹簧和弹簧座组成,其作用为减小传给基础和机架的动载荷。根据不同的安装方式和不同的隔振要求,减振器具有不同的结构型式,下图为公司最常见钢制弹簧减振器为公司系列图:

图中:1、吊环;2、支承筋;3、螺母;4、弹簧上座;5、减振弹簧;6、吊钩;7、弹簧下座。
常见故障现象有:弹簧上座和螺母在吊杆上松动;吊环、吊杆在振动过程中与减振弹簧碰撞,出现磨损,增加吊环、吊杆断裂的风险,吊杆螺纹加工处以及弯曲点断裂,减振弹簧质量问题(断裂、压并等)。出现这种现象与设计、制造、安装调试、使用维护各个环节有关。
减振作为振动机械的一个重要组成部分,从弹簧材料选择,结构形状,安装方式,仓压情况等很多方面来合理选择减振弹簧。
下面就减振弹簧在选择相对合理的情况下,分析出现故障原因。以悬挂式减振装置,弹簧为金属螺旋弹簧为例说明。
出现故障原因大概有以下几点:
一、吊环、吊钩弯曲处有应力集中,吊钩螺纹收尾处存在根切现象。
二、组装时,螺母没锁紧。
三、安装调试时四个吊点调整松紧不一致,导致每个吊点受力不平衡。
四、运行时来料不均衡,料流量忽大忽小导致弹簧受力不平衡,压缩量不一致,出现横摆现象。
五、弹簧断裂或压并。
针对以上情况,首先工艺上考虑吊环弯曲成型,不致出现影响材料性能的应力集中情况,尽量采用冷弯成型,改进设计避免吊钩螺纹收尾处存在根切现象;其次组装时,螺母锁紧,检查周边间隙是否一 致,有没有倾斜现象。如有,松动螺母和弹簧上座重新调节到间隙一致,弹簧垂直。最后带料正常运行时,尽量保证给料均匀,减少突然冲击。可以从入料口入手,加缓冲溜槽等方法。尽量避免受力不平衡现象。严格加强外协减振弹簧质量控制,要求供应商在供货时提供符合质量要求的检验证明。
总之,要从细节入手,从设计、制作、安装、调试、运行维护保养每个环节认真对待,延缓减振器使用寿命。